您好,欢迎来到顺海科技!
搜索
|
0755-28100016
中文
中文
EN
首页
在线购买
产品中心
电阻
电容
保险丝
电感
磁珠
二三极管/晶体管
放电管
连接器
场效应管(MOS)
IGBT管/模块
碳化硅(SiC)器件
品牌中心
代理品牌
新闻中心
公司新闻
行业新闻
产品新闻
元器件百科
技术资讯
知识解答
关于我们
公司简介
发展规划
荣誉资质
加入我们
联系我们
联系方式
在线留言
首页
在线购买
产品中心
电阻
电容
保险丝
电感
磁珠
二三极管/晶体管
放电管
连接器
场效应管(MOS)
IGBT管/模块
碳化硅(SiC)器件
品牌中心
代理品牌
新闻中心
公司新闻
行业新闻
产品新闻
元器件百科
技术资讯
知识解答
关于我们
公司简介
发展规划
荣誉资质
加入我们
联系我们
联系方式
在线留言
公司新闻
行业新闻
产品新闻
元器件百科
技术资讯
知识解答
首页
元器件百科
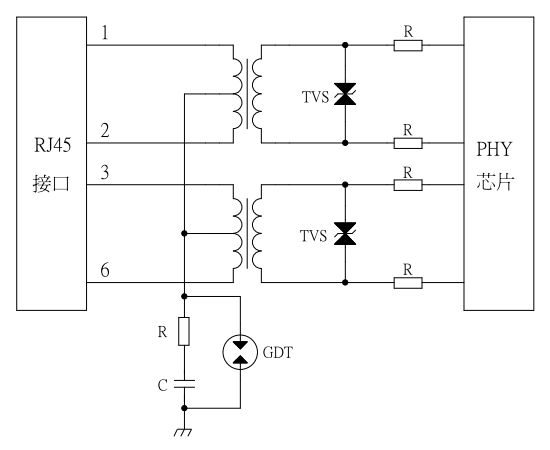
百兆以太网口防护技术方案-硕凯电子
■全球气候变暖,雷雨天气增多 ■网络设备雷击损坏后,危害大 ■网络设备雷击损害后,维修成本高 ■高浪涌防护设备成为行业趋势
2025-12-12
什么是薄膜精密贴片电阻?
2025-01-16
抗硫化升功率贴片电阻是什么?
2025-01-16
贴片升功率电阻按照功能分类可以分为以下几类
2025-01-15
薄膜升功率电阻有哪些特点?
2025-01-15
推荐内容
1
锰铜合金电阻和康铜合金电阻的抗高温能力对比
2
电阻器有哪些常见的故障及解决方法?
3
合金电阻在ECU中是如何调节电压的?
4
厚膜升功率电阻和薄膜升功率电阻有什么区别
5
升功率电阻有哪些特点?
6
金属箔电阻的噪声水平与温度有什么关系?
7
电阻用万用表的测试方法
8
合金电阻的制造工艺有哪些特点
9
十大电阻测试方法
10
百兆以太网口防护技术方案-硕凯电子
友情链接:
合金电阻
精密电阻
贴片保险丝
陶瓷管保险丝
二三极/晶体管
电感系列
连接器系列
场效应管(MOS)
磁珠代理系列
华年商城
Copyright © 深圳市顺海科技有限公司 All Right Reserved
粤ICP备15069920号-1
粤公网安备44030002009609号